
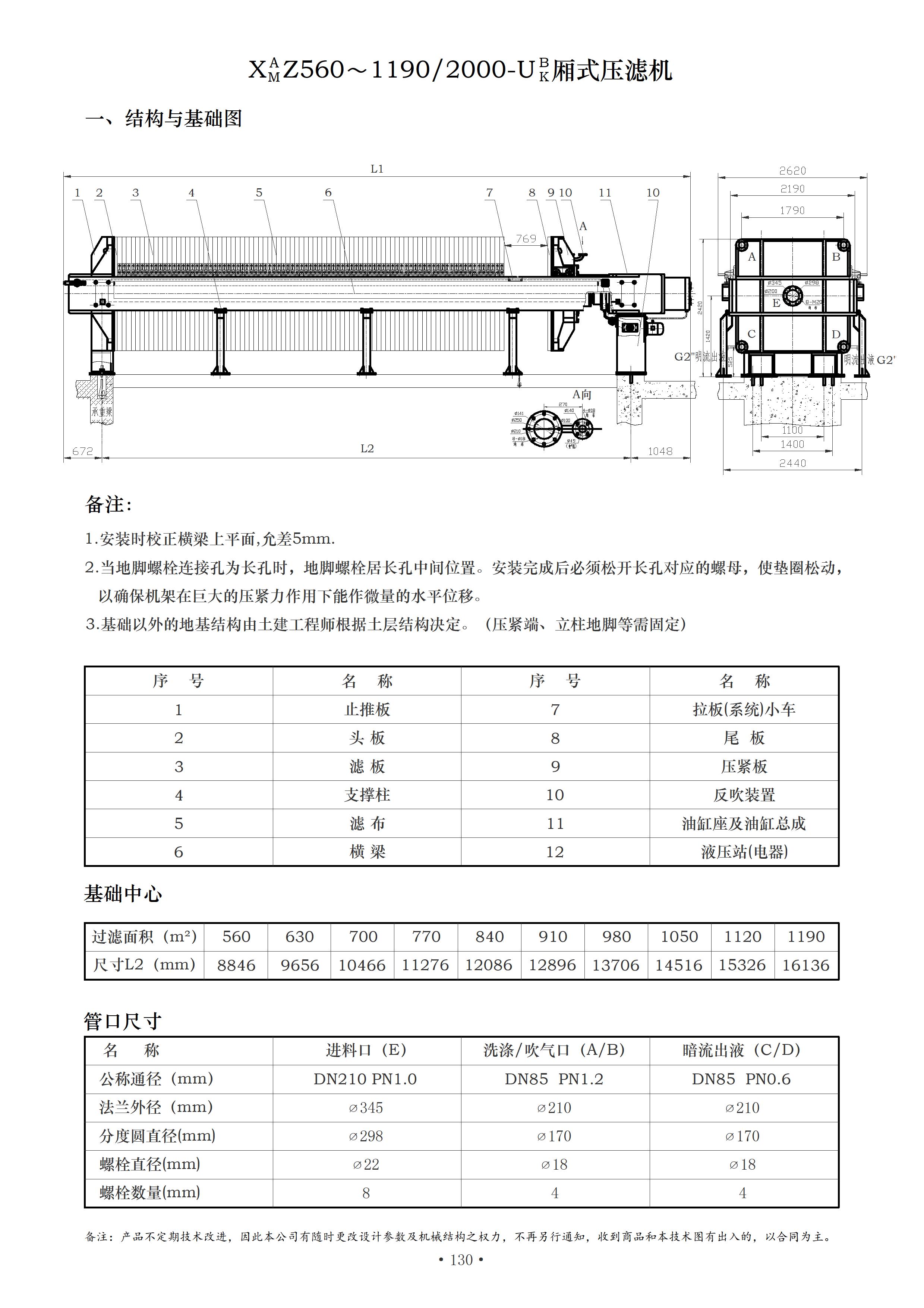
厢式、板框式午夜美女福利是悬浮液固、液两相分离的理想设备。该系列午夜美女福利为液压压紧,自动保压型。滤板尺寸2000×2000,为提高工作效率,改善进料状况。大型午夜美女福利除常规的止推板处装有进、出液管接法兰外,还在压紧板处备有相应的接口。用户可分别从两端接口进料、出液、进洗涤水等,改善滤渣质量。该系列午夜美女福利主要规格有: XAMY/Z(G) 700~1190/ 2000-UBK;该系列午夜美女福利为机、电、液分体式。整机的运作可手动操作,亦可根据用户要求:由PLC 程序控制器实现全程循环自动操作。根据用户的意愿,机器还可配装滤板移动装置、滤布悬挂装置或滤板高悬梁悬挂装置。自动完成逐块拉板和卸渣工作。午夜美女福利有明流、暗流之分,它们各自又有滤饼的可洗式和不可洗式。如需获得略干的滤饼,可向午夜美女福利通入干燥的压缩空气吹压,将滤饼中残余的部分水分再度排出。想进一步降低滤饼的含水率,可选购带隔膜压榨的午夜美女福利。隔膜压榨午夜美女福利从膜片结构上分为:组合式隔膜片压榨午夜美女福利、一体式隔膜板压榨午夜美女福利、嵌入式隔膜片压榨午夜美女福利;从膜片材质和压榨压力上分为:橡胶隔膜(耐油或耐酸)和高压PP 隔膜(焊接式或嵌入组合式)。根据您的过滤和工艺要求而定,如贵单位需要这方面的技术服务和支持,请与本公司联系。如需在高温状况下进行悬浮液分离时,您可选用金属滤板的午夜美女福利。全机密封性好,拉板器运行部分均有护罩,既安全又防尘防腐。机器液压压紧,自动保压,操作维护方便,运行安全可靠等特点。被广泛用于化工、石油、医药、食品、印染、皮革、冶炼、纺织等企业的生产及污水处理。



声明一下:本网站上展示的产品仅用于工业上的污水固、液分离,由于产品的专业性和专用性,每件商品的具体性能和使用方法均不尽相同,页面上的描述仅供参考,并不适用于每个具体商品,您在决定购买之前,务必事前(老板电话13732231928)沟通。谢谢您的理解和支持!(本站仅用于产品展示,不接受线上交易)




