
厢式板框式午夜美女福利滤板
午夜美女福利滤板是午夜美女福利的主要过滤元件,滤板材质形式以及质量的不同,会对整机的过滤性能产生不同的影响。其精料径,滤点的分布及其出水通道,对不同物料有不同的设计方案。本公司加工滤板材质为TPE弹性体及PP,使滤板既有橡胶滤板的弹性,又有PP滤板的韧性,刚性,使滤板压紧时密封性能好。
午夜美女福利滤板在设计方面,吸取国外好的过滤特点,通过合理的滤点排布,过滤面支撑点排布,流道设计,排液孔开孔角度等综合性设计,使滤板过滤过程中进水流速度快,对滤板冲击小,滤料分布均匀,从而增加过滤速度,增强了洗涤效果,延长了滤板使用寿命。


午夜美女福利滤板材质选用优质的无碱玻纤PP,既有橡胶滤板的弹性,又具有pp滤板的韧性及刚性。经1600吨压力模压成形。在经压板机校形,数控平面及钻孔修边等工艺加工而成,滤板的平面度达25UM一下,密封性能好,避免进料时的漏液现象。
午夜美女福利滤板材质配方为改性优质增强PP,经模压成型后经数控设备加工,表面平整,使午夜美女福利在过滤过程中不致 产生物料喷泄,滤板采用变截面设计,过滤部分结构采用梅花状锥形圆点结构,降低滤阻,过滤速度快,漏液出液顺畅,


午夜美女福利滤板的制作方法
新型所述的午夜美女福利滤板,涉及一种催化剂生产设备上的辅助配件,具体为挤压滤饼的午夜美女福利滤板。在滤板主体上加工有连接孔、凸柱及通孔;其特征在于在滤板主体的挤压面上还加工有滤凸;滤凸以阵列形式均布于及挤压面上。滤凸分为圆头锥形滤凸及圆柱形滤凸。圆头锥形滤凸与圆柱形滤凸间隔布局。两个相对的滤板主体的挤压面上的滤凸相对设置,为圆头锥形滤凸对应圆柱形滤凸设置。圆头锥形滤凸与圆柱形滤凸相对设置,圆头锥形滤凸的长于圆柱形滤凸,一个圆头锥形滤凸的长度小于两个两个圆柱形滤凸的长度。本实用新型具有结构新颖、加工简便、使用方便、增加了生产效率、保持了产品质量等特点,故属于一种集经济性与实用性为一体的新型午夜美女福利滤板。

在催化剂生产制造领域,经午夜美女福利压滤洗涤后的活性组分滤饼,通常用于同其他粉末助剂一起进行捏合,搅拌均匀后用于成型工艺。由于从午夜美女福利卸下的滤饼经吹榨后滤饼含水率仍较高,在30 90 %,厚度通常在2?5cm,且较为瓷实,在捏合过程中往往存在大块滤饼无法搅成小块的情况存在,搅拌时间过长不但大块滤饼不会破碎,反而滚成球状,如此使得物料混合不均匀,对催化剂成品活性、强度等多项指标造成严重影响。针对上述现有技术中所存在的问题,研究设计一种新型的午夜美女福利滤板,从而克服现有技术中所存在的问题。
鉴于上述现有技术中所存在的问题,本实用新型的目的是研究设计一种新型的午夜美女福利滤板。用以在滤饼上挤压出规则的、易分割的断裂线,使滤饼易于破碎。


将压滤后获取的整块滤饼破碎成小碎块的午夜美女福利滤板,在保有压滤洗涤效果的同时,解决了人工破碎滤饼的不均一和效率低问题。本发明该滤板的滤凸由圆头锥形滤凸和柱型滤凸间隔交错分布构成,且吹榨一块滤饼所使用的两块滤板,一面滤板的圆头锥形滤凸恰好同另一面滤板的柱型滤凸位置相对应,圆头锥形滤凸高于柱型滤凸,但长度适宜,不会顶到另一面的滤板,以免对另一面滤板造成损坏,这样使得压滤后的滤饼呈现均匀的点状薄厚不一,薄处极易断裂,在捏合过程中受到轻微碰撞用力即可破碎,易于进一步均匀搅拌捏合。
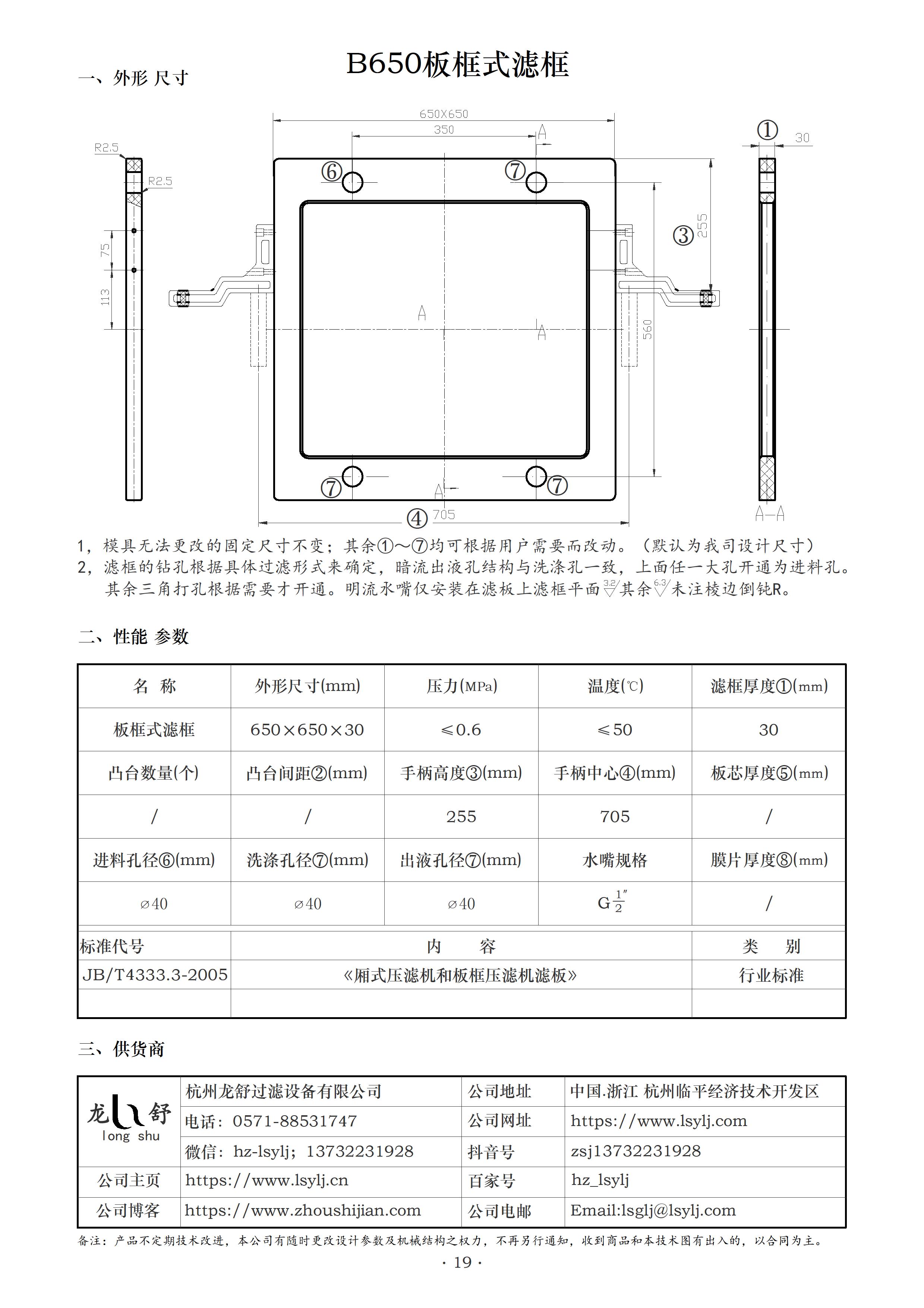
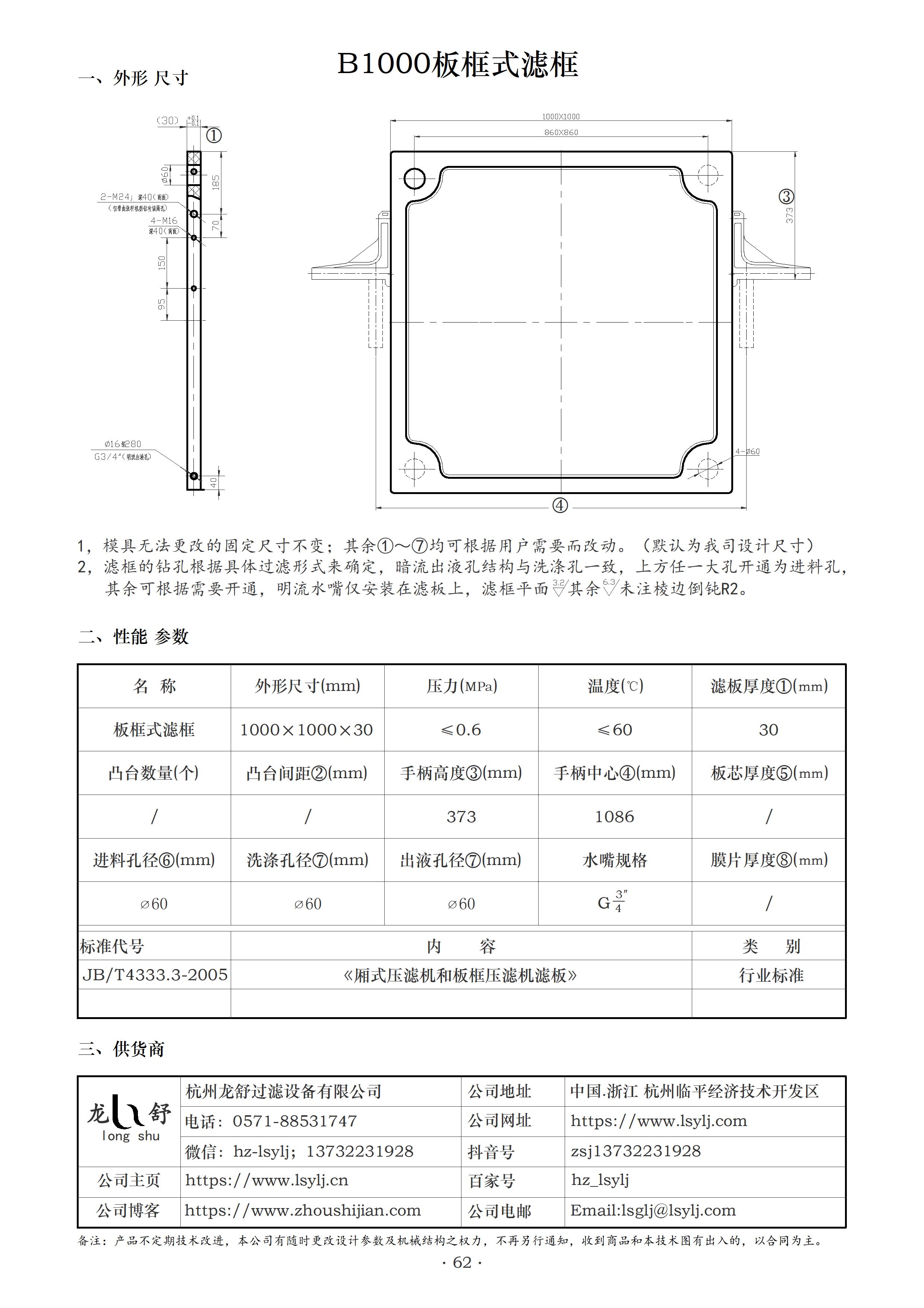
附:杭州午夜福利合集午夜美女福利“B315-X1500型厢式板框式午夜美女福利“系列滤板的技术参数图:

























































声明一下:本网站上展示的产品仅用于工业上的污水固、液分离,由于产品的专业性和专用性,每件商品的具体性能和使用方法均不尽相同,页面上的描述仅供参考,并不适用于每个具体商品,您在决定购买之前,务必事前(老板电话13732231928)沟通。谢谢您的理解和支持!(本站仅用于产品展示,不接受线上交易)

